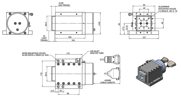
PIglide VC linear stage, air bearing, 25 mm travel range, voice coil, 48 V, linear encoder with sin/cos signal transmission, 20 µm signal period
A-131 PIglide VC Voice Coil Linear Stage with Air Bearings
High-Performance Miniature Nanopositioning System
- Ideal for scanning applications or high-precision positioning
- Cleanroom compatible
- Travel ranges to 25 mm
- Load capacity to 30 N
- Acceleration to 40 m/s2
Product overview
The PIglide stage with air bearing and voice coil drive offers high velocity and acceleration in a compact package.
The contactless components of the motion platform ensure the highest performance, quality, and lifetime.
Voice Coil Drive Technology
Voice coil motors are direct drives. In direct drives, the force of the drive element is transmitted directly to the load to be moved without the use of mechanical transmission elements such as coupling, drive screw, or gearhead. Voice coil drives consist of a permanent magnet and a winding body that are located in the air gap of the magnetic field. When current flows through the winding body, it moves in the magnetic field of the permanent magnet. Thanks to their low weight and friction-free drive principle, voice coil drives are particularly suitable for applications that require high dynamics and high velocities at limited travel ranges. High scan frequencies and precision positioning are also possible with these drives, because they are free of the effects of hysteresis.
Accessories and options
- PIglide filter and air preparation kits
- Single and multi-axis motion controller
Application fields
High-speed scanning, applications in manufacturing.
Thanks to the friction-free motion, no particles are formed, which makes PIglide stages ideal for cleanroom applications.
Specifications
Specifications
| Motion | A-131.025A1 | Tolerance |
|---|---|---|
| Active axes | X | |
| Travel range in X | 25 mm | |
| Acceleration in X, unloaded | 40 m/s² | max. |
| Maximum velocity in X, unloaded | 1000 mm/s | |
| Straightness (Linear crosstalk in Y with motion in X) | ± 0.5 µm | max. |
| Flatness (Linear crosstalk in Z with motion in X) | ± 0.5 µm | max. |
| Pitch (Rotational crosstalk in θY with motion in X) | ± 10 µrad | max. |
| Yaw (Rotational crosstalk in θZ with motion in X) | ± 10 µrad | max. |
| Positioning | A-131.025A1 | Tolerance |
| Integrated sensor | Incremental linear encoder | |
| Bidirectional repeatability in X | ± 0.1 µm | typ. |
| Positioning accuracy in X, calibrated | ± 0.25 µm | typ. |
| Positioning accuracy in X, uncalibrated | ± 2 µm | typ. |
| Sensor signal | Sin/cos, 1 V peak-peak | |
| Sensor resolution | 1.2 nm | |
| Sensor signal period | 20 µm | |
| Reference switch | Encoder index | |
| Limit switches | Hall effect | |
| Drive Properties | A-131.025A1 | Tolerance |
| Drive type | Voice coil | |
| Nominal voltage | 48 V | |
| Peak voltage | 28 V | |
| Nominal current, RMS | 3 A | typ. |
| Peak current, RMS | 10 A | typ. |
| Drive force in negative direction of motion in X | 22.3 N | typ. |
| Drive force in positive direction of motion in X | 22.3 N | typ. |
| Peak force in negative direction of motion in X | 70.4 N | |
| Peak force in positive direction of motion in X | 70.4 N | |
| Force constant | 6.9 N/A | |
| Resistance phase-phase | 2.7 Ω | typ. |
| Inductance phase-phase | 1.4 mH | |
| Back EMF | 6.9 V·s/m | max. |
| Mechanical Properties | A-131.025A1 | Tolerance |
| Guide | Air bearing guide with air preload | |
| Moved mass in X, unloaded | 1630 g | |
| Permissible push force in Z | 30 N | max. |
| Overall mass | 3600 g | |
| Material | Hardcoat aluminum, stainless steel mounting hardware | |
| A-131.025A1 | Tolerance | |
| Connector | D-sub 9W4 (m) | |
| Sensor connector | D-sub 15-pole (m) | |
| Operating pressure | 520 to 585 kPa | |
| Air consumption | 28 L/min | max. |
| Air quality | Clean (filtered up to 1.0 µm or better) - ISO 8573–1 class 1 Oil free - ISO 8573–1 class 1 Dry (-15 °C dew point) - ISO 8573–1 class 3 | |
| Recommended controllers / drivers | A-81x (1, 2, or 4 axes) A-82x (4, 6, or 8 axes) | |
| Cable length | 0.45 m | |
| Operating temperature range | 15 to 25 °C |
Note on pitch, yaw, straightness, and flatness: Dependent on the flatness of the surface, on which the stage is mounted.
Note on velocity and acceleration: Can be limited by the payload, controller or drive.
Note on permissible push force in Z: Assumes that the load's center of gravity is centered no more than 50 mm from the motion platform.
Note on sensor resolution and bidirectional repeatability: Assumes 16384x interpolation. Contact PI for the use of other factors.
Note on positioning accuracy, calibrated: Improved accuracy can be obtained with controller-based error compensation. The stage must be ordered with a controller from PI to reach these values.
Note on operating pressure: To protect the stage against damage, it is recommended to connect an air pressure sensor to the Motion-Stop input of the controller.
Ask about customized versions.
Downloads
Datasheet
Documentation
User Manual A131D001
A-131 Series Voice Coil Linear Air Bearing Stage











